Scheda Telemetrica No-Tune per SuperVozelj
con 11 ingressi analogici e 6 uscite ON/OFF

Paolo Subiaco iw3grx
20 gennaio 2002
Revisione 28 dicembre 2002

Abstract

Qualche anno fa presentai una scheda telemetrica da applicare al nodo SuperVozelj per il rilevamento della tensione di alimentazione del nodo, la temperatura interna al nodo e la temperatura esterna.
I problemi di tale scheda erano essenzialmente tre:
  1. vi erano ben 6 trimmer da tarare, quindi non è da stupirsi se le misure si discostassero di parecchio da quelle reali, a causa della non facile taratura
  2. venivano usate delle sonde di temperatura economiche, ma anche imprecise e soprattutto non lineari
  3. non vennero mai realizzati i circuiti stampati se non in forma artigianale, con i conseguenti problemi di affidabilita'.
Verrà ora presentata una nuova scheda, leggermente piú costosa ma di migliore affidabilità e soprattutto semplicissima da tarare, tale da meritarsi l'aggettivo No-Tune.
Con questo progetto si intende diffondere in modo capillare l'utilizzo della scheda telemetrica al fine di poter monitorare i nodi e visualizzarne le statistiche direttamente nel web ed in APRS.
Inoltre, attraverso tale scheda, sarà possibile controllare facilmente la postazione attraverso le 6 uscite ON/OFF.


Caratteristiche



Descrizione

Il circuito della scheda telemetrica per SuperVozelj ha le stesse dimensioni e stessa foratura di un modem progettato da IW3GRW, quindi puo' essere applicato all' interno del contenitore del nodo SuperVozelj sopra il "piano modem".
Il circuito egrave; in grado di rilevare la tensione di alimentazione del sistema (5V) e la tensione di batteria (13.8V), la temperatura interna alla scatola del SuperVozelj ed esterna alla postazione, la luminosità attraverso due fotoresistenze da applicare esternamente, ed inoltre possono essere rilevati altri 5 canali analogici collegati esternamente al circuito a dei sensori che producano in uscita una tensione compresa fra 0 e 5 volt.

Le due tensioni di alimentazione sono misurate attraverso un portatitore resistivo (con resistori di precisione 1%) tale da riportare il valore letto all'interno del range 0-5volt.
Le sonde di temperatura utilizzate sono due AD590 o, MEGLIO, due AD592, prodotte dalla Analog Devices, Maxim e Intersil: una sonda è saldata direttamente nel circuito stampato per misurare la temperaruta interna, l'altra sarà posta all'esterno della postazione e connessa attraverso una coppia twistata lunga anche diverse decine di metri.
Tali sonde forniscono una uscita in corrente, misurata in uA, corrisondente al valore di temperatura assoluta (temperatura in gradi celsius + 273.15); ad esempio a -20°C erogano una corrente pari a 253µA, mentre a 25°C una corrente di 298µA.
Per quanto riguarda la sonda di temperatura da posizionare all'esterno, è consigliato l'uso della sonda AD592 in quanto, avendo il case plastico, risulta maggiormente protetta da scariche elettrostatiche con l'ambiente esterno. Nel caso si utilizzi l'AD590, conviene collegare case insieme ad uno degli altri due piedini, in modo da evitare l'accumulo di carica sul case.
Dopo aver collegato i reofori della sonda al cavo, è consigliato immunizzare la sonda attraverso colla a caldo per proteggerla dall'umidit` e da contatto accidentale verso altri dispositivi.

Layout scheda telemetrica


L'immagine sopra riporta la vista dei componenti della scheda: per una migliore visione e' consigliato il prelievo del layout in formato pdf, ideale per essere stampato.


L'immagine del master non è disponibile inline; clicca qui per prelevare il master in formato PDF


A sinistra sono presenti due connettori a 16 pin composto da due strip da 8 pin maschio a vaschetta, sul quale verra` poi innestato il connettore a crimpare per flat; j2 è un connettore 16 pin maschio a 90° collegato al PortA e PortB dell'82C55 presente nel SuperVozelj, mentre J3 è un connettore 16 pin maschio dritto collegato ad una eventuale scheda CCD per la visualizzazione di immagini (se presente).
Inoltre sopra J2 e` presente un connettore a due pin da collegare all'alimentazione (13.8 volt, disponibili sul morsetto posteriore della mainboard del SV), mentre sopra J3 e' presente un analogo connettore a due pin che servira` per alimentare la scheda CCD opzionale.
J3 potra` inoltre essere utilizzato per il collegamento ad una semplice interfaccia che realizza un telecomando per il controllo della postazione, attivabile con il comando E INDIRIZZO.

Sul lato opposto sono presenti due connettori a due pin per il collegamento delle sonde di temperatura: il connettore sopra andra` collegato attraverso una coppia di filo twistato, lungo anche qualche decina di metri, all'AD592 da posizionare esternamente alla postazione, mentre la sonda da posizionare internamente potra` essere saldata direttamente sul connettore a destra in basso.

Il montaggio dei componenti non presenta problemi particolari, salvo la necessita' di utilizzare resistenze di precisione laddove indicato: in questo modo non saranno necessarie tarature e sara` garantita una ottima precisione delle misure.


Scelta dei componenti e taratura

Nello schema elettrico sotto riportato, prelevabile anche in formato PDF per una migliore stampa, sono indicati i criteri di scelta delle resistenze di precisione, nei riquadri in basso a sinistra.
Tuttavia sono indicate anche i valori consigliati, reperibili in commercio, che consentono di misurare una tensione da 0 a 15 volt, e una temperatura compresa fra -16.5°C e +51.5°C.

Schema elettrico scheda telemetrica No-Tune



Il SuperVozelj consente di utilizzare range di valori arbitrari, grazie alle due costanti (una moltiplicativa ed una addittiva) che consentono a tradurre il valore letto dal convertitore A/D nel valore della grandezza misurata, pertanto e' possibile modificare le resistenze opportunamente per consentire la misura nei range voluti.
Calcolati opportunamente i valori delle resistenze, sara` poi necessario eseguire l'unica taratura indispensabile, per regolare la tensione ai capi di C8 in modo da avere esattamente 2.500 Volt (da misurare con voltmetro digitale).
Il multiplexer 4052 consentira` di selezionare i 3 canali analogici da misurare in modo differenziale: nel caso di misura di tensione, il riferimento negativo risulta collegato a 0 Volt, mentre nel caso di misura di temperatura il riferimento negativo risulta collegato alla tensione determinata dal partitore resistivo R16-R19.

Errata corrige

Nello schema è indicato l'uso del transistor BD244: c'è un piccolo errore in quanto è necessario utilizzare il BD234! che ha un hFE maggiore ed inoltre ha la piedinatura (per cui e` stata progettata la scheda) esattamente invertita rispetto al BD244

Collegamento della scheda CCD per attivare il risparmio energetico

Può essere interessante collegare una scheda CCD per poter prelevare le foto dai nodi SuperVozelj, foto che poi vengono automaticamente collezionate dal server ir3ip.
In alcuni nodi esiste la stringente esigenza del risparmio energetico, come avviene ad esempio nei nodi IR3MP e IR3FAL che risultano alimentati a batteria con l'eventuale ausilio del generatore eolico.
Proprio in quest'ottica è stata progettata la scheda telemetrica, e verrà di seguito proposta una semplice modifica da apportare alla scheda CCD al fine di raggiungere i fini proposti.

Obiettivo: collegare al SuperVozelj una scheda CCD e relativa telecamera che consumi 0mA quando non viene utilizzata

Obiettivo facilmente raggiungibile, basta togliere l'alimentazione alla scheda CCD e telecamera quando non viene utilizzata, direte voi. È in parte corretto, attenzione però che togliendo alimentazione alla scheda si verificano i seguenti problemi:
Come spegnere l'alimentazione alla scheda CCD senza pregiudicare l'uso del PortA del SuperVozelj
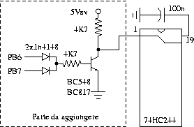
modifiche da apportare al lato rame della scheda ccd schema modifica scheda CCDBasta alimentare SEMPRE il buffer 74HC244 (attenzione a non utilizzare 74LS244 o altri integrati NON CMOS!) e realizzare una piccola rete (mostrata in figura) per pilotare l'ingresso di abilitazione del 74HC244 composta da 1 transistor, due diodi e due resistenze.
Riporto inoltre una porzione di lato saldatura dove sono indicate in rosso due piste da tagliare. Un'altra pista dovrà essere interrotta nel lato componenti, e precisamente quella che collega i pin 1 e 19 del 74HC244 al pin 13 (mi pare) del 7402. Va rimossa perchè ora sarà il piccolo circuito con transistor due diodi e due resistenze a pilotare l'ingresso di selezione del 74HC244: questo piccolo circuito può essere agevolmente realizzato in tecnologia SMT sul lato saldatura del circuito stampato della scheda CCD.
Alla piazzola del connettore cui è stata tagliata la pista dovrà essere portata l'alimentazione a 5V dal SuperVozelj, che servirà ad alimentare il buffer 74HC244 durante i periodi in cui non viene prelevata la foto.

Collegamento di due telecamere selezionate alternativamente

È possibile collegare due telecamere agli ingressi V0 e V1 della scheda CCD, le quali saranno selezionate alternativamente durante il prelievo della foto: per attivare questa funzione basta collegare l'ingresso I1 della scheda CCD a massa, e l'ingresso I0 della scheda CCD all'uscita open-collector OUT2 della scheda Telemetrica.
Se è attivato il risparmio energetico, durante il prelievo saranno comunque alimentate entrambe le telecamere per quei 10-12 secondi indispensabili al prelievo della foto: poco male!

Software e configurazione

In questa sezione sono presentati i file necessari all'utilizzo della scheda telemetrica, contenuti nell'archivio sv83f.arj presente nella SuperVozelj downloading page.
I file telem3.asm e telem3.bin rappresentano il sorgente e il binario per la programmazione del microcontrollore 87LPC762 utilizzato nella scheda telemetrica.
I file msv83f3.bin, svcfg.dat, svcfg.exe rappresentano invece il software binario per il MidiSuperVozelj (con MTU 1024) e relativo programma di configurazione: da dos shell digitare svcfg msv83f3 per configurare il software SV.
Il file msv83f.asm rappresenta invece il sorgente ASM del SuperVozelj, modificabile per abbassare ad esempio l'MTU a 256 o per farlo funzionare sul'hardware SuperVozelj originale.

Per quanto riguarda la configurazione della scheda telemetrica, riporto quanto scritto nel file changes.txt presente nel suddetto archivio:
        Setup uscite (modo sysop)
        E 41..46 resetta le uscite 1..6
        E 51..56 setta le uscite 1..6

        Configurazione nuova scheda telemetrica:
        E 64 43605 imposta l'uso della nuova scheda telemetrica
        E Ncanale Offset Multiply Descrizione_canale_N
          imposta i parametri per la conversione A/D
          nel seguente modo:

          Multiply=(ValoreMax-ValoreMin)*100
          Offset=(0-ValoreMin)*100
          Formato descrizione:
            UnitaMisura - descrizione   se il canale A/D e` utilizzato
            None                        se il canale A/D non e` utilizzato
            E 1 0 2000 Volt - Battery Power Supply
            E 2 0 1000 Volt - Logic Power Supply
            E 3 27315 35715 ^C - Internal Temperature
            E 4 27315 35715 ^C - External Temperature
            E 5 0 10000 % - Internal Light
            E 6 0 10000 % - External Light
            E 7 0 0 None
            E 8 0 0 None
            E 9 0 0 None
            E 10 0 0 None
            E 11 0 0 None



Ulteriori informazioni possono essere richieste a
Paolo Subiaco
via Castelletto, 115
31010 FARRA DI SOLIGO(TV)
Tel.    328 3730010
Email:  iw3grx@ir3ip.net
IRC:    irc.ir3ip.net - channel #italy
packet: IW3GRX@IW3GRX.IVEN.ITA.EU